
ACO Powerlift PSD-B (armirani beton)
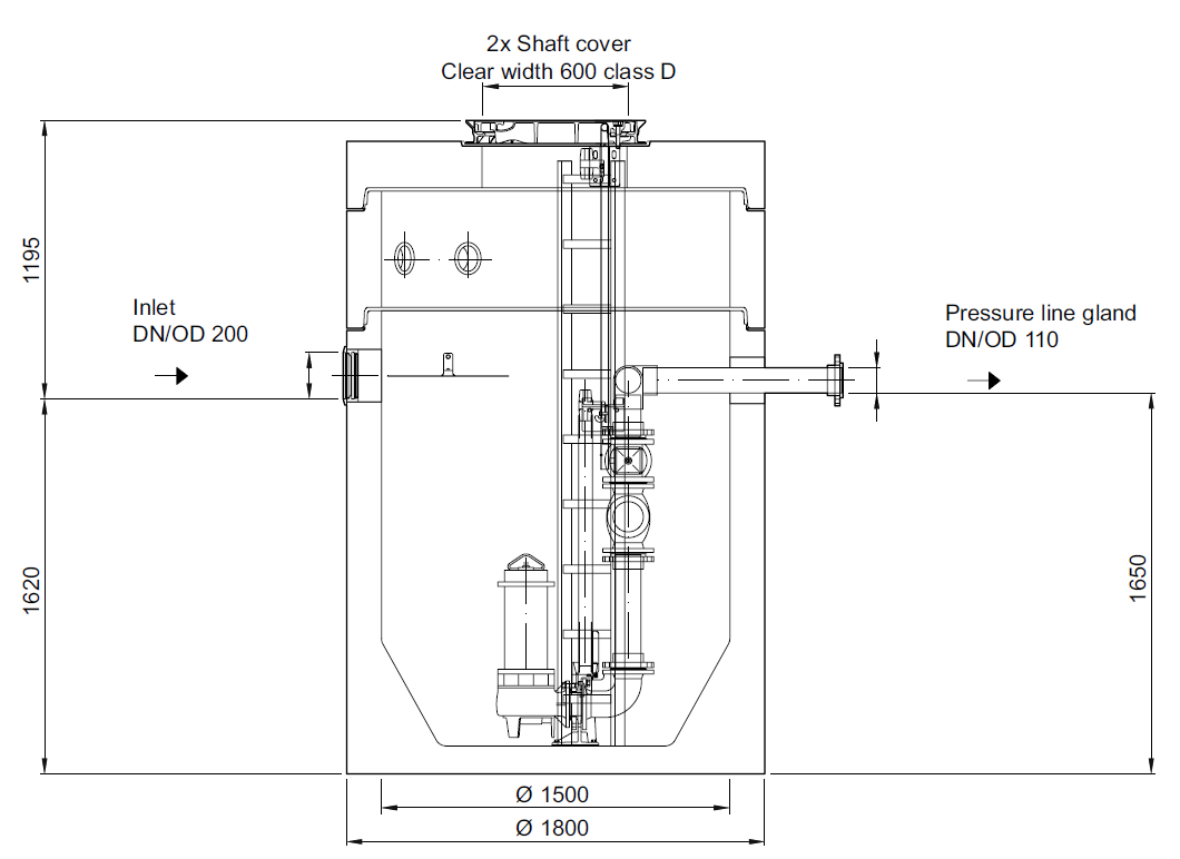
Powerlift je prepumpno okno iz firme ACO za odvodnju komercijalnih područja i velikih slivnih površina koje se skupljaju ispod zone povrata. Prefabrikovano Powerlift PSD armiranobetonsko okno koje nije ispunjeno, može se pomoću nastavnih elemenata ugraditi na tačno zahtijevanu dubinu. Korisna zapremina se može prilagođavati da bi ispunila individualne količine uljevne vode. Orijentacija uljeva, ventilacije i prodora za kablove se može prilagođavati lokalnim uslovima. Moguća je ugradnja do dubine od 9 m. Okno za mono ili duo sistem pumpi projektovano je da izdrži dovoljno opterećenje za klasu poklopca do D400. Nudi se mogućnost biranja načina kontrole vode u oknu, u zavisnosti od medijuma i nivoa zagađenja, između pneumatske kontrole, opciono sa mini kompresorom i plovaka ili sa 4-20 mA hidrostatskom sondom.
Prednosti proizvoda
- Montiran cjevovod unutar okna
- Potisni cjevovod i elementi cjevovoda izrađeni od materijala otpornog na koroziju EN-GJL liveno željezo i PVC-U plastike
- Poklopac okna, lagan, sa bezvijčanim zaključavanjem
- Predinstalacija univerzalnog nosača za kontrole nivoa u oknu
- Visina i dodatni pribor variraju u zavisnosti od aplikacije
- Skoro u potpunosti sigurno od nakupljanja naslaga na dnu okna sa velikom korisnom zapreminom
Podaci za narudžbu
Pumpa | Korisna zapremina od [l] | Korisna zapremina do [l] | Tip otpadne vode | Težina pumpe [kg] | Težina najtežeg elementa [kg] | Ukupna težina [kg] | Broj artikla |
|---|---|---|---|---|---|---|---|
| SITA 200-N-ex | 550 | 785 | fekalna | 34,0 | 2900 | 4050 | 707832 |
| SAT 100/D | 550 | 785 | ne fekalna | 19,5 | 2900 | 4050 | 707830 |
| SAT 200/D | 550 | 785 | ne fekalna | 21,5 | 2900 | 4050 | 707831 |
| Pumpa | Snaga motora P1 [kW] | Snaga motora P2 [kW] | Eksplozivna zaštita | Struja [A] | Promjer prolaza [mm] | Impeler | Vrsta napojnog kabla |
|---|---|---|---|---|---|---|---|
| Za priključak na napon od 400V | |||||||
| SITA 200-N-ex | 2.1 | 1.5 | sa EX zaštitom | 3.7 | - | sjekač | NSSHOU-J 4G1.5 + 2 x 0.75 |
| SAT 100/D | 1.3 | 0.88 | bez EX zaštite | 2.3 | 15 | otvoreni impeler | H07RN-F 4 G 1 |
| SAT 200/D | 2.0 | 1.5 | bez EX zaštite | 3.55 | 15 | otvoreni impeler | H07RN-F 4 G 1 |
| Pumpa | Snaga motora P1 [kW] | Snaga motora P2 [kW] | Eksplozivna zaštita | Struja [A] | Promjer prolaza [mm] | Impeler | Vrsta napojnog kabla |
|---|---|---|---|---|---|---|---|
| Za priključak na napon od 400V | |||||||
| SITA 200-N-ex | 2.1 | 1.5 | sa EX zaštitom | 3.7 | - | sjekač | NSSHOU-J 4G1.5 + 2 x 0.75 |
| SAT 100/D | 1.3 | 0.88 | bez EX zaštite | 2.3 | 15 | otvoreni impeler | H07RN-F 4 G 1 |
| SAT 200/D | 2.0 | 1.5 | bez EX zaštite | 3.55 | 15 | otvoreni impeler | H07RN-F 4 G 1 |
Prednosti proizvoda
- Montiran cjevovod unutar okna
- Potisni cjevovod i elementi cjevovoda izrađeni od materijala otpornog na koroziju EN-GJL liveno željezo i PVC-U plastike
- Poklopac okna, lagan, sa bezvijčanim zaključavanjem
- Predinstalacija univerzalnog nosača za kontrole nivoa u oknu
- Visina i dodatni pribor variraju u zavisnosti od aplikacije
- Skoro u potpunosti sigurno od nakupljanja naslaga na dnu okna sa velikom korisnom zapreminom
Podaci za narudžbu
Pumpa | Korisna zapremina od [l] | Korisna zapremina do [l] | Tip otpadne vode | Težina pumpe [kg] | Težina najtežeg elementa [kg] | Ukupna težina [kg] | Broj artikla |
|---|---|---|---|---|---|---|---|
| SAT-Q 300/80D | 1400 | 1600 | ne fekalna | 58,0 | 5400 | 6300 | 712442 |
| KI-AT-V 400/4/100 ex | 1400 | 1600 | fekalna | 85,0 | 5400 | 6300 | 712440 |
| SAT-Q 400/65D | 1400 | 1600 | ne fekalna | 74,0 | 5400 | 6300 | 712443 |
| Pumpa | Snaga motora P1 [kW] | Snaga motora P2 [kW] | Eksplozivna zaštita | Struja [A] | Promjer prolaza [mm] | Impeler | Vrsta napojnog kabla |
|---|---|---|---|---|---|---|---|
| Za priključak na napon od 400V | |||||||
| SAT-Q 300/80D | 2.9 | 2.2 | bez EX zaštite | 5.1 | 40 | otvoreni dual impeler | H07RN-F 4G1.5 + 3 x 1 |
| KI-AT-V 400/4/100 ex | 3.7 | 3.0 | sa EX zaštitom | 7.3 | 100 | impeler slobodnog toka | NSSHOU-J 4G2.5 + 2 x 0.75 |
| SAT-Q 400/65D | 4.0 | 3.0 | bez EX zaštite | 6.7 | 50 | otvoreni dual impeler | H07RN-F 4 G1.5 + 3 x 1 |
Podaci za narudžbu
Pumpa | Korisna zapremina od [l] | Korisna zapremina do [l] | Tip otpadne vode | Težina pumpe [kg] | Težina najtežeg elementa [kg] | Ukupna težina [kg] | Broj artikla |
|---|---|---|---|---|---|---|---|
| SAT-Q 300/80D | 1400 | 1600 | ne fekalna | 58,0 | 5400 | 6300 | 712442 |
| KI-AT-V 400/4/100 ex | 1400 | 1600 | fekalna | 85,0 | 5400 | 6300 | 712440 |
| SAT-Q 400/65D | 1400 | 1600 | ne fekalna | 74,0 | 5400 | 6300 | 712443 |
| Pumpa | Snaga motora P1 [kW] | Snaga motora P2 [kW] | Eksplozivna zaštita | Struja [A] | Promjer prolaza [mm] | Impeler | Vrsta napojnog kabla |
|---|---|---|---|---|---|---|---|
| Za priključak na napon od 400V | |||||||
| SAT-Q 300/80D | 2.9 | 2.2 | bez EX zaštite | 5.1 | 40 | otvoreni dual impeler | H07RN-F 4G1.5 + 3 x 1 |
| KI-AT-V 400/4/100 ex | 3.7 | 3.0 | sa EX zaštitom | 7.3 | 100 | impeler slobodnog toka | NSSHOU-J 4G2.5 + 2 x 0.75 |
| SAT-Q 400/65D | 4.0 | 3.0 | bez EX zaštite | 6.7 | 50 | otvoreni dual impeler | H07RN-F 4 G1.5 + 3 x 1 |
Prednosti proizvoda
- Montiran cjevovod unutar okna
- Potisni cjevovod i elementi cjevovoda izrađeni od materijala otpornog na koroziju EN-GJL liveno željezo i PVC-U plastike
- Poklopac okna, lagan, sa bezvijčanim zaključavanjem
- Predinstalacija univerzalnog nosača za kontrole nivoa u oknu
- Visina i dodatni pribor variraju u zavisnosti od aplikacije
- Skoro u potpunosti sigurno od nakupljanja naslaga na dnu okna sa velikom korisnom zapreminom
Podaci za narudžbu
Pumpa | Korisna zapremina od [l] | Korisna zapremina do [l] | Tip otpadne vode | Težina pumpe [kg] | Težina najtežeg elementa [kg] | Ukupna težina [kg] | Broj artikla |
|---|---|---|---|---|---|---|---|
| SITA 200-N-ex | 550 | 785 | fekalna | 34,0 | 2900 | 4050 | 707832 |
| SAT 100/D | 550 | 785 | ne fekalna | 19,5 | 2900 | 4050 | 707830 |
| SAT 200/D | 550 | 785 | ne fekalna | 21,5 | 2900 | 4050 | 707831 |
| Pumpa | Snaga motora P1 [kW] | Snaga motora P2 [kW] | Eksplozivna zaštita | Struja [A] | Promjer prolaza [mm] | Impeler | Vrsta napojnog kabla |
|---|---|---|---|---|---|---|---|
| Za priključak na napon od 400V | |||||||
| SITA 200-N-ex | 2.1 | 1.5 | sa EX zaštitom | 3.7 | - | sjekač | NSSHOU-J 4G1.5 + 2 x 0.75 |
| SAT 100/D | 1.3 | 0.88 | bez EX zaštite | 2.3 | 15 | otvoreni impeler | H07RN-F 4 G 1 |
| SAT 200/D | 2.0 | 1.5 | bez EX zaštite | 3.55 | 15 | otvoreni impeler | H07RN-F 4 G 1 |
| Pumpa | Snaga motora P1 [kW] | Snaga motora P2 [kW] | Eksplozivna zaštita | Struja [A] | Promjer prolaza [mm] | Impeler | Vrsta napojnog kabla |
|---|---|---|---|---|---|---|---|
| Za priključak na napon od 400V | |||||||
| SITA 200-N-ex | 2.1 | 1.5 | sa EX zaštitom | 3.7 | - | sjekač | NSSHOU-J 4G1.5 + 2 x 0.75 |
| SAT 100/D | 1.3 | 0.88 | bez EX zaštite | 2.3 | 15 | otvoreni impeler | H07RN-F 4 G 1 |
| SAT 200/D | 2.0 | 1.5 | bez EX zaštite | 3.55 | 15 | otvoreni impeler | H07RN-F 4 G 1 |
Prednosti proizvoda
- Montiran cjevovod unutar okna
- Potisni cjevovod i elementi cjevovoda izrađeni od materijala otpornog na koroziju EN-GJL liveno željezo i PVC-U plastike
- Poklopac okna, lagan, sa bezvijčanim zaključavanjem
- Predinstalacija univerzalnog nosača za kontrole nivoa u oknu
- Visina i dodatni pribor variraju u zavisnosti od aplikacije
- Skoro u potpunosti sigurno od nakupljanja naslaga na dnu okna sa velikom korisnom zapreminom
Podaci za narudžbu
Pumpa | Korisna zapremina od [l] | Korisna zapremina do [l] | Tip otpadne vode | Težina pumpe [kg] | Težina najtežeg elementa [kg] | Ukupna težina [kg] | Broj artikla |
|---|---|---|---|---|---|---|---|
| SAT-Q 300/80D | 1400 | 1600 | ne fekalna | 58,0 | 5400 | 6300 | 712442 |
| KI-AT-V 400/4/100 ex | 1400 | 1600 | fekalna | 85,0 | 5400 | 6300 | 712440 |
| SAT-Q 400/65D | 1400 | 1600 | ne fekalna | 74,0 | 5400 | 6300 | 712443 |
| Pumpa | Snaga motora P1 [kW] | Snaga motora P2 [kW] | Eksplozivna zaštita | Struja [A] | Promjer prolaza [mm] | Impeler | Vrsta napojnog kabla |
|---|---|---|---|---|---|---|---|
| Za priključak na napon od 400V | |||||||
| SAT-Q 300/80D | 2.9 | 2.2 | bez EX zaštite | 5.1 | 40 | otvoreni dual impeler | H07RN-F 4G1.5 + 3 x 1 |
| KI-AT-V 400/4/100 ex | 3.7 | 3.0 | sa EX zaštitom | 7.3 | 100 | impeler slobodnog toka | NSSHOU-J 4G2.5 + 2 x 0.75 |
| SAT-Q 400/65D | 4.0 | 3.0 | bez EX zaštite | 6.7 | 50 | otvoreni dual impeler | H07RN-F 4 G1.5 + 3 x 1 |
Podaci za narudžbu
Pumpa | Korisna zapremina od [l] | Korisna zapremina do [l] | Tip otpadne vode | Težina pumpe [kg] | Težina najtežeg elementa [kg] | Ukupna težina [kg] | Broj artikla |
|---|---|---|---|---|---|---|---|
| SAT-Q 300/80D | 1400 | 1600 | ne fekalna | 58,0 | 5400 | 6300 | 712442 |
| KI-AT-V 400/4/100 ex | 1400 | 1600 | fekalna | 85,0 | 5400 | 6300 | 712440 |
| SAT-Q 400/65D | 1400 | 1600 | ne fekalna | 74,0 | 5400 | 6300 | 712443 |
| Pumpa | Snaga motora P1 [kW] | Snaga motora P2 [kW] | Eksplozivna zaštita | Struja [A] | Promjer prolaza [mm] | Impeler | Vrsta napojnog kabla |
|---|---|---|---|---|---|---|---|
| Za priključak na napon od 400V | |||||||
| SAT-Q 300/80D | 2.9 | 2.2 | bez EX zaštite | 5.1 | 40 | otvoreni dual impeler | H07RN-F 4G1.5 + 3 x 1 |
| KI-AT-V 400/4/100 ex | 3.7 | 3.0 | sa EX zaštitom | 7.3 | 100 | impeler slobodnog toka | NSSHOU-J 4G2.5 + 2 x 0.75 |
| SAT-Q 400/65D | 4.0 | 3.0 | bez EX zaštite | 6.7 | 50 | otvoreni dual impeler | H07RN-F 4 G1.5 + 3 x 1 |





